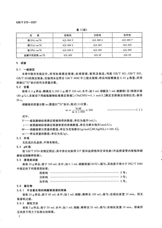
硝酸银 国家标准 GB/T670-2007
- 分类:参考资料
- 作者:恒兴
- 来源:资料
- 发布时间:2017-07-13 00:00
- 访问量:
【概要描述】硝酸银 国家标准 GB/T670-2007 硝酸银 国家标准 GB/T670-2007
硝酸银 国家标准 GB/T670-2007
【概要描述】硝酸银 国家标准 GB/T670-2007
硝酸银 国家标准 GB/T670-2007
- 分类:参考资料
- 作者:恒兴
- 来源:资料
- 发布时间:2017-07-13 00:00
- 访问量:






