参考资料
REFERENCES
当前所在位置:
参考资料
/
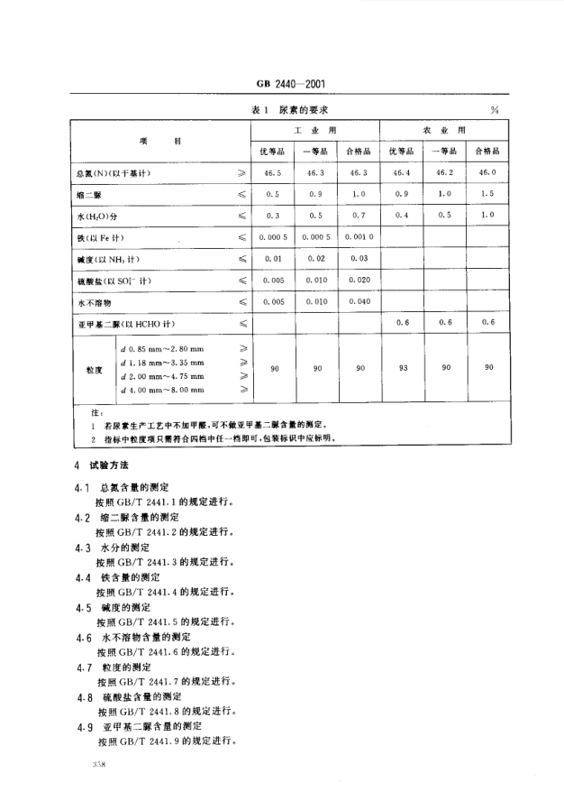
尿素 国家标准 GB 2440-2001

尿素 国家标准 GB 2440-2001

  • 分类:参考资料
  • 作者:恒兴
  • 来源:资料
  • 发布时间:2017-07-18 00:00
  • 访问量:

【概要描述】尿素 国家标准 GB 2440-2001 尿素 国家标准 GB 2440-2001

尿素 国家标准 GB 2440-2001

【概要描述】尿素 国家标准 GB 2440-2001
尿素 国家标准 GB 2440-2001

  • 分类:参考资料
  • 作者:恒兴
  • 来源:资料
  • 发布时间:2017-07-18 00:00
  • 访问量:
详情

恒兴化学

恒兴化学

恒兴化学

恒兴化学

恒兴化学

恒兴化学

关键词:

恒兴

热线电话: 022-26772349

地址:天津市东丽区S102(津芦线)

关注我们

公众号二维码

官方公众号

Copyright © 2021 天津市恒兴化学试剂制造有限公司    网站建设:中企动力  天津   津ICP备**********号-5    Seo标签